preloader
  • Home
  • 3D Rendering Services

3D Rendering Services

Related services

2D Drawing Services
  • Drawing

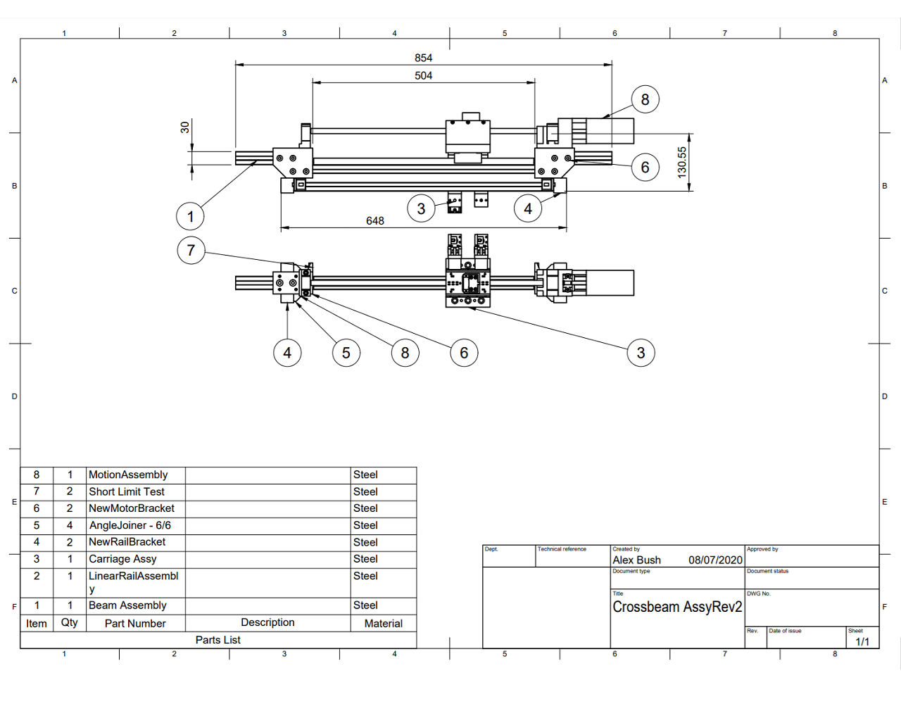
2D Drawing Services

About Service We offer a 2D drawing service which can turn your existing sketch or 2D drawing into a …

More Info